- 간단한 구조
- 낮은 비용
- 높은 신뢰성
전기 도금용 전원 공급 장치는 표면 마감 산업에서 중요한 전기 장비입니다. 높은 작동 전력과 긴 작동 시간으로 인해 전력망에 미치는 영향이 상당합니다.
기존의 전기 도금용 전원 공급 장치는 AC에서 DC로의 변환 과정에서 종종 많은 양의 고조파 전류를 발생시켜 전원 공급 시스템 및 관련 장비에 심각한 영향을 미칩니다.
산업 자동화의 지속적인 개선과 함께 전기 도금 생산 라인은 전력 품질에 대한 더 높은 요구 사항을 제시하고 있습니다.
따라서 전기 도금용 전원 공급 장치에서 발생하는 고조파를 효과적으로 제어하고 완화하는 방법은 기업 전력 품질 관리에서 중요한 과제가 되었습니다.

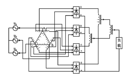
다중 펄스 정류 시스템의 일반적인 구조는 다음과 같습니다:
24펄스 정류 시스템을 예로 들면, 위상 변위 단권 변압기는 특정 위상차(일반적으로 **15° 위상차**)를 갖는 여러 세트의 3상 전압을 생성합니다.
이러한 전압은 각각 여러 정류기 브리지에 공급되어 정류됩니다.
서로 다른 정류기 브리지에서 생성된 고조파 전류는 위상이 다르기 때문에 기자력을 사용하여 변압기 1차 측에서 중첩될 때 서로 상쇄됩니다. 예를 들어:
이러한 저차 고조파는 시스템 내에서 크게 약화되며, 최종적으로 전력망에 유입되는 것은 주로 진폭이 더 작은 고차 고조파(예: 23차 및 25차 고조파)이므로 시스템의 총 고조파 왜곡률이 크게 감소합니다.




도금용 전원 공급 장치에서 발생하는 고조파는 주로 정류 단계에서 발생하며, 산업용 전력 품질에 영향을 미치는 중요한 요소입니다.
**다중 펄스 정류 기술과 위상 변이 자동 변압기**를 사용하여 전원 공급 측에서 능동적인 고조파 억제를 달성할 수 있습니다. 서로 다른 정류 브리지에서 발생하는 고조파는 시스템 내에서 상쇄되어 전력망으로 유입되는 고조파 전류를 크게 줄입니다.
이 솔루션은 다음과 같은 장점을 제공합니다.
따라서 도금, 전해, 야금과 같은 고전력 DC 전원 공급 장치 응용 분야에서 **위상 변이 자동 변압기 다중 펄스 정류 솔루션**은 전력 품질을 개선하고 친환경 생산을 달성하기 위한 중요한 기술 경로가 되었습니다.